熱門關鍵詞: 金屬軟管非金屬蒙皮金屬補償器非金屬補償器軟管接頭熱網補償器 風門
15161010176聯系QQ:892365764
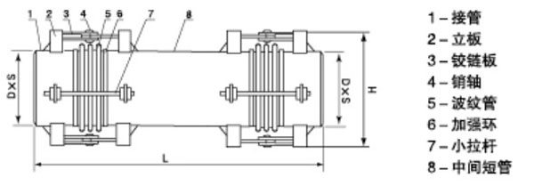
金屬補償器
版權所有 ? 江蘇晨天波紋管有限公司 備案號:公司地址:江蘇省泰州市姜堰區白米工業園 ? 電話/傳真:0523-88622224聯系人:蔣先生 ? ? 手機:15161010176、19951164488 ?